Сдвиговый сильфонный компенсатор предназначен для компенсации сдвиговых перемещений трубопроводов и установленного на них оборудования, в одной или нескольких плоскостях. Устройство состоит из одного или нескольких сильфонов, выполненных из многослойной нержавеющей стали. Компенсатор сдвиговый комплектуется различной присоединительной арматурой: патрубки под приварку, приварные или поворотные (свободные) фланцы. В зависимости от исполнения, изделие может быть оснащено: внутренним экраном, защитным кожухом и ограничителями хода.
КОНСТРУКЦИЯ И ОСНОВНЫЕ ХАРАКТЕРИСТИКИ КОМПЕНСАТОРОВ
СИЛЬФОННЫХ СДВИГОВЫХ ПОД ПРИВАРКУ КСС ARM П
Антикоррозийное лакокрасочное покрытие
Большой выбор материалов присоединительной
арматуры: Ст. 20, СтЗсп, ОЗХ17Н14МЗ, O3Х18Н11,
08Х16Н11МЗ, 08Х17Н1ЗМ2, 08Х17Н13М2Т, 08Х18Н10,
08Х18Н10Т, 10Х23Н18, 20Х23Н1З, 20Х23Н18
рабочих циклов
до 40 кг/см2
до 2400 мм
до +950°С
по запросу клиента
на складе
защитным кожухом, внутренним экраном,
ограничительной арматурой (ограничительные
шпильки / сдвиговое устройство)
газ, нефтепродукты
и другие среды, неагрессивные
к материалу изделия
действующим требованиям, установленным национальными
и межгосударственными стандартами, имеет необходимый пакет документов
Многослойный сильфон изготовлен в соответствии с ГОСТ 32935-2014
Односекционное или двухсекционное исполнение
Большой выбор материалов сильфона: 08Х18Н10, 08Х18Н10Т,
08Х17Н13M2, 20Х23Н13, 20Х23Н18
Ограничительная арматура
обеспечивает контроль над превышением
допустимых смещений, предотвращает
деформацию компенсатора
Возможно изготовление ограничительной
арматуры с компенсацией сдвига в одной
или нескольких плоскостях
- компенсация сдвигового перемещения
- снятие вибрационных нагрузок
- различные трубопроводы, газоходы
- двигатели, компрессоры, насосы, другое
промышленное оборудование
Уточнить цены и наличие продукции на складе можно в отделе продаж нашей компании. А также направив заявку, опросный лист на электронную почту: pro@armfleks.ru.
Осуществляем изготовление сильфонных сдвиговых компенсаторов с техническими характеристиками и по чертежам заказчика.
Осуществляем доставку компенсаторов по России, г. Москва собственным автотранспортом, а так же транспортными и курьерскими компаниями.
КОНСТРУКЦИОННОЕ ИСПОЛНЕНИЕ СИЛЬФОННЫХ СДВИГОВЫХ КОМПЕНСАТОРОВ КСС ARM
Варианты исполнений: одно и двухсекционные, с внутренним экраном, защитным кожухом
DN от 20
до 2400 мм
PN от вакуума
до 40 кг/см2
Варианты исполнений: одно и двухсекционные, исполнение уплотнительной поверхности: А - плоскость, B - соединительный выступ, С, L - шип, D, M - паз, Е - выступ, F - впадина, с внутренним экраном, защитным кожухом, футеровкой РТFЕ
DN от 25
до 2400 мм
PN от вакуума
до 25 кг/см2
Варианты исполнений: одно и двухсекционные, исполнение уплотнительной поверхности: А - плоскость, B - соединительный выступ, С, L - шип, D, M - паз, Е - выступ, F - впадина, с внутренним экраном, защитным кожухом, футеровкой РТFЕ
DN от 25
до 2400 мм
PN от вакуума
до 40 кг/см2
Варианты исполнений: одно и двухсекционные, с внутренним экраном, защитным кожухом, футеровкой РТFЕ
DN от 25
до 600 мм
PN от вакуума
до 25 кг/см2
Варианты исполнений: одно и двухсекционные, исполнение уплотнительной поверхности: А - плоскость, В - соединительный выступ, С, L - шип, D, М - паз, Е - выступ, F - впадина, с внутренним экраном, защитным кожухом, футеровкой РТFЕ
DN от 25
до 2400 мм
PN от вакуума
до 40 кг/см2
Варианты исполнений: одно и двухсекционные, с приварными, поворотными (свободными) фланцами, защитным кожухом, ограничительной арматурой
DN от 25
до 2400 мм
PN от вакуума
до 40 кг/см2
Варианты исполнений: одно и двухсекционные, с внутренним экраном, защитным кожухом
DN от 20
до 2400 мм
PN от вакуума
до 40 кг/см2
Варианты исполнений: фланцы приварные, поворотные (свободные), с внутренним экраном, защитным кожухом, футеровкой РТFЕ
DN от 25
до 2400 мм
PN от вакуума
до 40 кг/см2
Варианты исполнений: исполнений: с внутренним экраном, защитным кожухом
DN от 20
до 2400 мм
PN от вакуума
до 40 кг/см2
Варианты исполнений: с внутренним экраном, защитным кожухом, футеровкой РТFЕ
DN от 25
до 2400 мм
PN от вакуума
до 40 кг/см2
Варианты исполнений: с внутренним экраном
DN от 20
до 2400 мм
PN от вакуума
до 40 кг/см2
Варианты исполнений: с внутренним экраном, футеровкой PTFE
DN от 25
до 2400 мм
PN от вакуума
до 40 кг/см2
Варианты исполнений: одно и двухсекционные, с внутренним экраном, с ограничительной арматурой
DN от 20
до 2400 мм
PN от вакуума
до 40 кг/см2
Варианты исполнений: одно и двухсекционные, фланцы приварные, поворотные (свободные), с внутренним экраном, ограничительной арматурой, футеровкой РТFЕ
DN от 25
до 2400 мм
PN от вакуума
до 40 кг/см2
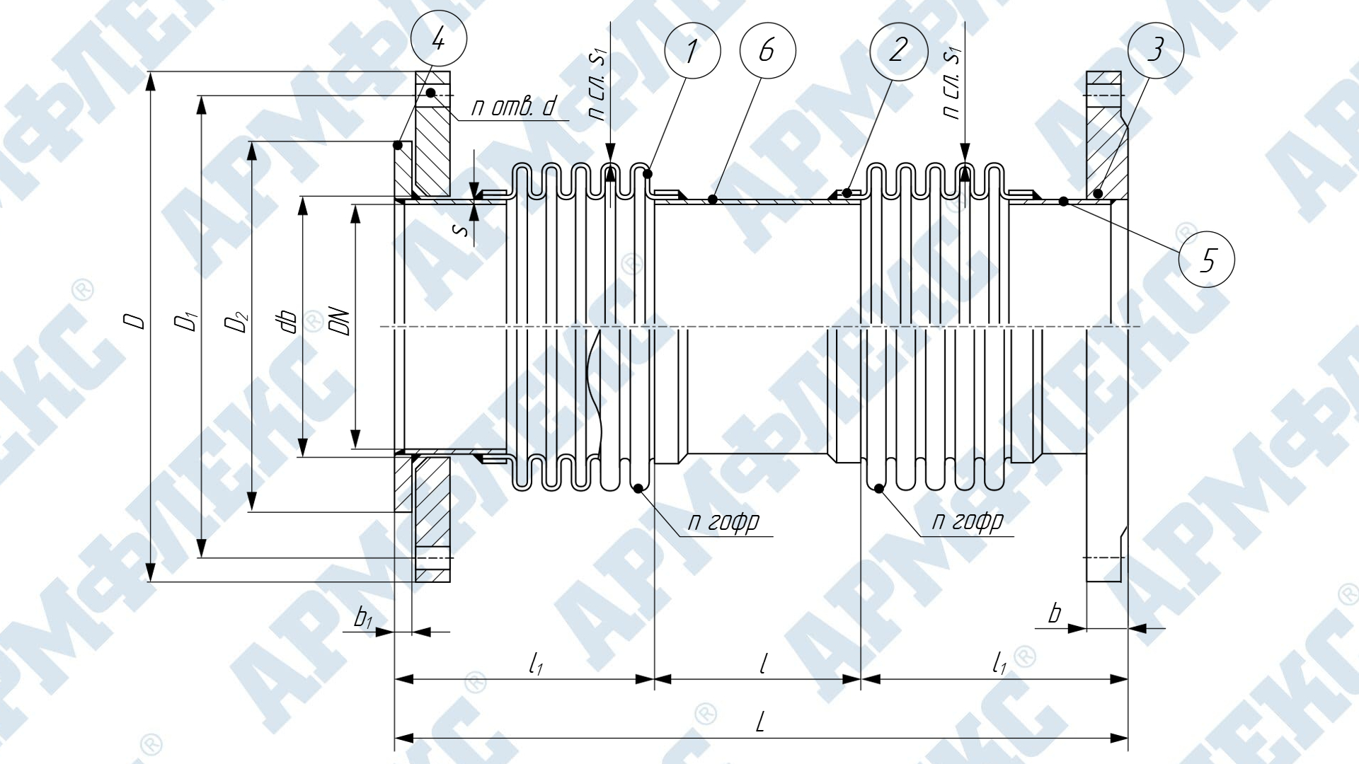
ДВУХСЕКЦИОННЫЕ КОМПЕНСАТОРЫ СИЛЬФОННЫЕ СДВИГОВЫЕ ПОД ПРИВАРКУ 2КСС ARM ПО СТАНДАРТНОГО ИСПОЛНЕНИЯ
1 — сильфон
2 — обечайка
3 — патрубок
4 — внутренний патрубок
5 — фланец опорный
6 — проушина
7 — ограничительная шпилька
8 — гайка
9 — шайба
|
Номинальный |
Номинальное |
Длина |
Ход |
Размеры фланцев, мм |
Жёсткость |
Эффективная |
Вес |
||||
|---|---|---|---|---|---|---|---|---|---|---|---|
|
DN, мм |
PN, кг/см2 |
L, мм |
±, мм |
H × H1 |
D |
s |
Отклонение |
D1 |
Сc, H/м |
S,см2 |
~кг |
|
25 |
10,16 |
385 |
25 |
65х110 |
33,7 |
3 |
±0,5 |
43 |
7 |
11 |
6,6 |
|
510 |
50 |
2,7 |
7,0 |
||||||||
|
650 |
75 |
1 |
7,9 |
||||||||
|
800 |
100 |
0,4 |
8,7 |
||||||||
|
32 |
10,16 |
385 |
25 |
70х115 |
42,4 |
3 |
±0,5 |
51 |
7,2 |
17 |
6,8 |
|
510 |
50 |
2,8 |
7,4 |
||||||||
|
650 |
75 |
1,1 |
8,3 |
||||||||
|
800 |
100 |
0,5 |
9,1 |
||||||||
|
40 |
10,16 |
390 |
25 |
75х125 |
48,3 |
3 |
±0,5 |
60 |
7,4 |
23 |
7,0 |
|
515 |
50 |
2,9 |
7,7 |
||||||||
|
655 |
75 |
1,2 |
8,5 |
||||||||
|
805 |
100 |
0,6 |
9,2 |
||||||||
|
50 |
10,16 |
400 |
25 |
95х160 |
57/60,3 |
3,5 |
±0,5 |
72 |
7,5 |
36 |
7,2 |
|
525 |
50 |
3 |
8,0 |
||||||||
|
665 |
75 |
1,3 |
8,8 |
||||||||
|
815 |
100 |
0,7 |
9,6 |
||||||||
|
65 |
10,16 |
440 |
25 |
115х175 |
76 |
4 |
±0,5 |
95 |
5,2 |
57 |
8,3 |
|
550 |
50 |
2 |
9,0 |
||||||||
|
690 |
75 |
0,9 |
9,8 |
||||||||
|
830 |
100 |
0,5 |
10,9 |
||||||||
|
80 |
10,16 |
445 |
25 |
135х190 |
89 |
4 |
±0,5 |
115 |
15,3 |
81 |
10,7 |
|
555 |
50 |
5,3 |
11,7 |
||||||||
|
695 |
75 |
2,6 |
13,0 |
||||||||
|
835 |
100 |
1,3 |
13,5 |
||||||||
|
100 |
10,16 |
465 |
25 |
165х225 |
108/114 |
4,5 |
±0,5 |
129 |
25,6 |
133 |
12,9 |
|
575 |
50 |
10,1 |
14,0 |
||||||||
|
715 |
75 |
5,2 |
15,7 |
||||||||
|
855 |
100 |
2,4 |
17,5 |
||||||||
|
125 |
10,16 |
500 |
25 |
195х265 |
133/140 |
4,5 |
±0,5 |
161 |
23,8 |
191 |
19,9 |
|
770 |
50 |
8,6 |
23,9 |
||||||||
|
1010 |
75 |
4,3 |
27,3 |
||||||||
|
1245 |
100 |
2,7 |
30,9 |
||||||||
|
150 |
10,16 |
530 |
25 |
225х285 |
159/168 |
4,5 |
+0,5 |
187 |
37,5 |
264 |
24,1 |
|
790 |
50 |
13,4 |
29,3 |
||||||||
|
1030 |
75 |
6,7 |
34,4 |
||||||||
|
1265 |
100 |
3,8 |
38,8 |
||||||||
|
200 |
10,16 |
615 |
25 |
285х385 |
219 |
6 |
+0,5 |
251 |
104,4 |
441 |
39,6 |
|
845 |
50 |
60,4 |
46,6 |
||||||||
|
1085 |
75 |
30,4 |
55,3 |
||||||||
|
1320 |
100 |
16,9 |
63,1 |
||||||||
|
250 |
10,16 |
615 |
25 |
345х435 |
273 |
7 |
±0,5 |
315 |
138,6 |
682 |
62,1 |
|
845 |
50 |
73,8 |
75,5 |
||||||||
|
1085 |
75 |
33,4 |
86,1 |
||||||||
|
1320 |
100 |
18,8 |
97,1 |
||||||||
|
300 |
10,16 |
835 |
25 |
455х575 |
325 |
7,5 |
+0,5 |
381 |
98,4 |
1018 |
102,8 |
|
935 |
50 |
67,4 |
107,6 |
||||||||
|
1135 |
75 |
33,9 |
118,1 |
||||||||
|
1335 |
100 |
19 |
130,1 |
||||||||
|
от 350-2400 компенсаторы по запросу |
|||||||||||
|
Детальную спецификацию продукции Вы можете запросить у наших специалистов |
|||||||||||
|
Изготовление продукции по чертежам и с техническими характеристиками заказчика. |
|||||||||||
ТЕХНИЧЕСКИЕ ХАРАКТЕРИСТИКИ И МАТЕРИАЛЫ СИЛЬФОННЫХ СДВИГОВЫХ КОМПЕНСАТОРОВ КСС ARM ПОД ПРИВАРКУ
СТАНДАРТНОЕ ИСПОЛНЕНИЕ
Технические характеристики
химические и криогенные среды
Материалы
Под номинальным давлением (PN) следует понимать наибольшее избыточное давление при температуре среды 293 К (20°С), при котором допустима длительная работа арматуры и деталей трубопровода, имеющих заданные размеры, обоснованные расчетом на прочность при выбранных материалах и характеристиках их прочности, соответствующих температуре 293 К (20°С).
Выбор материалов изделия устанавливается соответствующими стандартами и нормативно-технической документацией в зависимости от назначения, параметров (температуры, давления) и условного прохода.
Номинальное, рабочее и пробное давление рассчитывается в зависимости от сложности конструкции компенсатора, его технических характеристик, условий эксплуатации, в соответствии с ТУ 3695-001-63575782-2015, нормативно-технической документацией, ГОСТ 356-80 «Арматура и детали трубопроводов. Давления условные, пробные и рабочие. Ряды», ГОСТ 33257-2015 «Арматура трубопроводная. Методы контроля и испытаний», ГОСТ 32935-2014 «Компенсаторы сильфонные металлические для тепловых сетей. Общие технические условия»
СПЕЦИАЛЬНОЕ ИСПОЛНЕНИЕ
Технические характеристики
химические и криогенные среды
Материалы
Под номинальным давлением (PN) следует понимать наибольшее избыточное давление при температуре среды 293 К (20°С), при котором допустима длительная работа арматуры и деталей трубопровода, имеющих заданные размеры, обоснованные расчетом на прочность при выбранных материалах и характеристиках их прочности, соответствующих температуре 293 К (20°С).
Выбор материалов изделия устанавливается соответствующими стандартами и нормативно-технической документацией в зависимости от назначения, параметров (температуры, давления) и условного прохода.
Номинальное, рабочее и пробное давление рассчитывается в зависимости от сложности конструкции компенсатора, его технических характеристик, условий эксплуатации, в соответствии с ТУ 3695-001-63575782-2015, нормативно-технической документацией, ГОСТ 356-80 «Арматура и детали трубопроводов. Давления условные, пробные и рабочие. Ряды», ГОСТ 33257-2015 «Арматура трубопроводная. Методы контроля и испытаний», ГОСТ 32935-2014 «Компенсаторы сильфонные металлические для тепловых сетей. Общие технические условия»
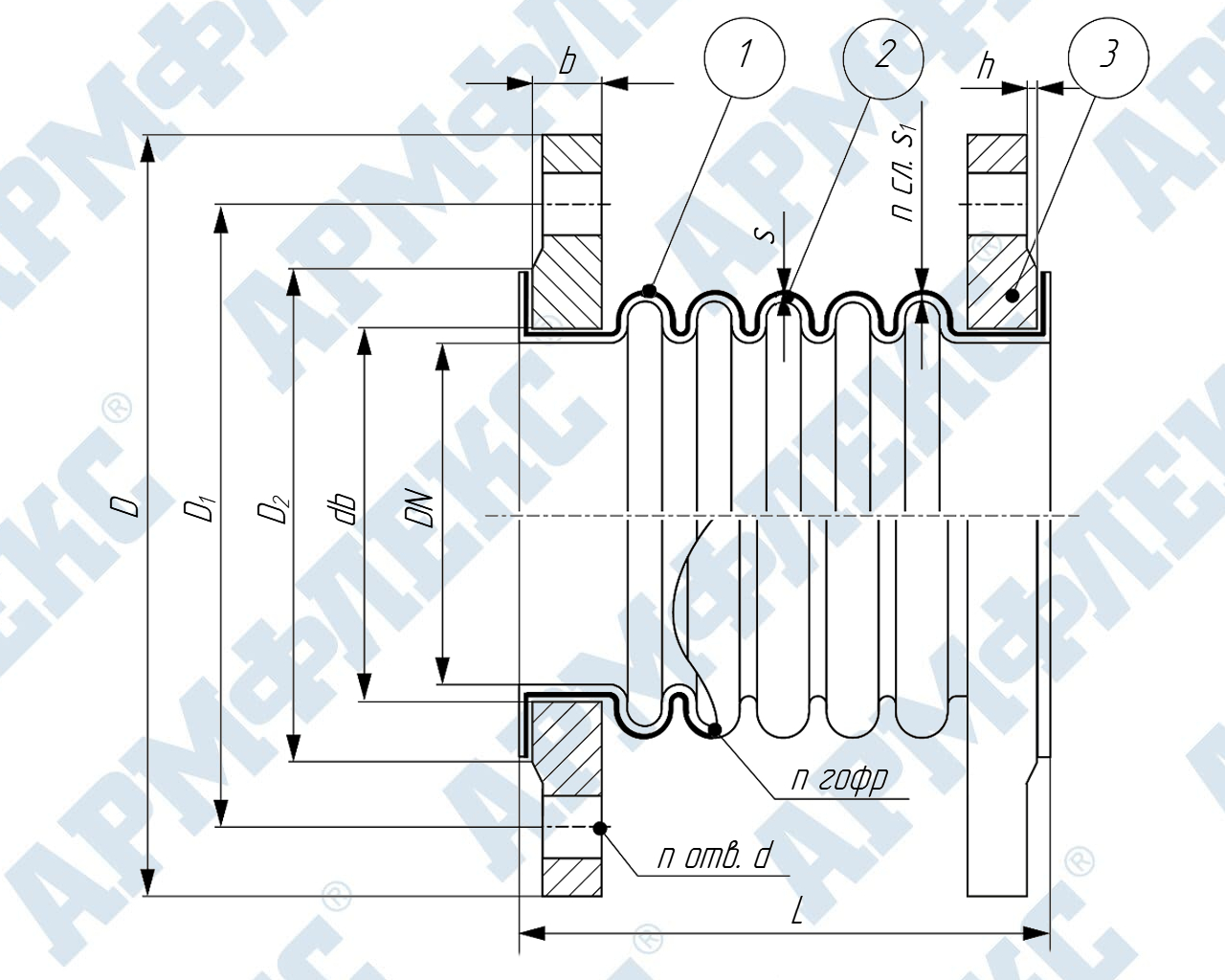
ДВУХСЕКЦИОННЫЕ КОМПЕНСАТОРЫ СИЛЬФОННЫЕ СДВИГОВЫЕ ФЛАНЦЕВЫЕ 2КСС ARM ФО СТАНДАРТНОГО ИСПОЛНЕНИЯ
1 — сильфон
2 — обечайка
3 — фланец
4 — патрубок
5 — внутренний патрубок
6 — проушина
7 — ограничительная шпилька
8 — гайка
9 — шайба
|
Номинальный |
Номинальное |
Длина |
Ход |
Размеры фланцев, мм |
Жёсткость |
Эффективная |
Вес |
||||||
|---|---|---|---|---|---|---|---|---|---|---|---|---|---|
|
DN, мм |
PN, кг/см2 |
L, мм |
±, мм |
H1 |
D |
D1 |
D2 |
b |
h |
n отв.d |
Сc, H/м |
S,см2 |
~кг |
|
25 |
16 |
350 |
25 |
160 |
115 |
85 |
68 |
18/16 |
2 |
4х14 |
0,3 |
11 |
8,5 |
|
440 |
50 |
2,7 |
8,7 |
||||||||||
|
590 |
75 |
1,1 |
9,4 |
||||||||||
|
740 |
100 |
0,5 |
9,7 |
||||||||||
|
32 |
16 |
350 |
25 |
185 |
135/140 |
100 |
78 |
18 |
2 |
4х18 |
0,3 |
17 |
10,0 |
|
440 |
50 |
2,7 |
10,3 |
||||||||||
|
590 |
75 |
1,1 |
11,0 |
||||||||||
|
740 |
100 |
0,5 |
11,3 |
||||||||||
|
40 |
16 |
360 |
25 |
195 |
145/150 |
110 |
88 |
20/18 |
3 |
4х18 |
0,4 |
23 |
11,7 |
|
450 |
50 |
2,8 |
12,1 |
||||||||||
|
600 |
75 |
1,2 |
12,8 |
||||||||||
|
750 |
100 |
0,6 |
13,1 |
||||||||||
|
50 |
16 |
370 |
25 |
215 |
160/165 |
125 |
102 |
22/20 |
3 |
4х18 |
0,5 |
36 |
13,6 |
|
450 |
50 |
3 |
14,1 |
||||||||||
|
600 |
75 |
1,3 |
14,9 |
||||||||||
|
750 |
100 |
0,7 |
15,6 |
||||||||||
|
65 |
16 |
370 |
25 |
230 |
180/185 |
145 |
122 |
24/20 |
3 |
4х18 |
0,5 |
57 |
15,3 |
|
460 |
50 |
2,1 |
16,5 |
||||||||||
|
605 |
75 |
0,9 |
17,1 |
||||||||||
|
750 |
100 |
0,6 |
18,1 |
||||||||||
|
80 |
16 |
380 |
25 |
265 |
195/200 |
160 |
133 |
24/20 |
3 |
4/8х18 |
1,5 |
81 |
18,1 |
|
470 |
50 |
5,4 |
19,2 |
||||||||||
|
615 |
75 |
2,7 |
20,4 |
||||||||||
|
760 |
100 |
1,5 |
21,6 |
||||||||||
|
100 |
16 |
400 |
25 |
295 |
215/220 |
180 |
158 |
26/22 |
3 |
8х18 |
1,8 |
133 |
20,4 |
|
490 |
50 |
10,4 |
22,7 |
||||||||||
|
635 |
75 |
5,4 |
23,6 |
||||||||||
|
780 |
100 |
2,6 |
25,1 |
||||||||||
|
125 |
16 |
440 |
25 |
335 |
245/250 |
210 |
184 |
28/22 |
3 |
8х18 |
1,9 |
191 |
33,6 |
|
675 |
50 |
8,7 |
37,5 |
||||||||||
|
915 |
75 |
4,4 |
40,6 |
||||||||||
|
1140 |
100 |
2,7 |
43,4 |
||||||||||
|
150 |
16 |
510 |
25 |
375 |
280/285 |
240 |
212 |
28/24 |
3 |
8х22 |
1,7 |
264 |
42,7 |
|
700 |
50 |
13,4 |
47,8 |
||||||||||
|
940 |
75 |
6,7 |
51,4 |
||||||||||
|
1180 |
100 |
3,7 |
56,1 |
||||||||||
|
200 |
16 |
550 |
25 |
450 |
335/340 |
295 |
268 |
30/26 |
3 |
12х22 |
6,1 |
441 |
75,1 |
|
710 |
50 |
58,6 |
81,8 |
||||||||||
|
950 |
75 |
30,4 |
89,1 |
||||||||||
|
1180 |
100 |
16,4 |
97,3 |
||||||||||
|
250 |
16 |
560 |
25 |
520 |
405 |
355 |
320 |
31/29 |
3 |
12х26 |
7,2 |
682 |
102,6 |
|
720 |
50 |
74,4 |
112,6 |
||||||||||
|
960 |
75 |
33,4 |
122,6 |
||||||||||
|
1190 |
100 |
18,9 |
132,1 |
||||||||||
|
300 |
16 |
590 |
25 |
575 |
460 |
410 |
370 |
32 |
4 |
12х26 |
32,1 |
1018 |
113,6 |
|
750 |
50 |
31,9 |
118,1 |
||||||||||
|
990 |
75 |
26,2 |
127,6 |
||||||||||
|
1220 |
100 |
26 |
140,1 |
||||||||||
|
от 350-2400 компенсаторы по запросу |
|||||||||||||
|
Детальную спецификацию продукции Вы можете запросить у наших специалистов |
|||||||||||||
|
Изготовление продукции по чертежам и с техническими характеристиками заказчика. |
|||||||||||||
ТЕХНИЧЕСКИЕ ХАРАКТЕРИСТИКИ И МАТЕРИАЛЫ СИЛЬФОННЫХ СДВИГОВЫХ ФЛАНЦЕВЫХ КОМПЕНСАТОРОВ КСС ARM Ф
СТАНДАРТНОЕ ИСПОЛНЕНИЕ
Технические характеристики
химические и криогенные среды
Материалы
Под номинальным давлением (PN) следует понимать наибольшее избыточное давление при температуре среды 293 К (20°С), при котором допустима длительная работа арматуры и деталей трубопровода, имеющих заданные размеры, обоснованные расчетом на прочность при выбранных материалах и характеристиках их прочности, соответствующих температуре 293 К (20°С).
Выбор материалов изделия устанавливается соответствующими стандартами и нормативно-технической документацией в зависимости от назначения, параметров (температуры, давления) и условного прохода.
Номинальное, рабочее и пробное давление рассчитывается в зависимости от сложности конструкции компенсатора, его технических характеристик, условий эксплуатации, в соответствии с ТУ 3695-001-63575782-2015, нормативно-технической документацией, ГОСТ 356-80 «Арматура и детали трубопроводов. Давления условные, пробные и рабочие. Ряды», ГОСТ 33257-2015 «Арматура трубопроводная. Методы контроля и испытаний», ГОСТ 32935-2014 «Компенсаторы сильфонные металлические для тепловых сетей. Общие технические условия»
СПЕЦИАЛЬНОЕ ИСПОЛНЕНИЕ
Технические характеристики
химические и криогенные среды
Материалы
Антикоррозийное цинковое покрытие (углеродистая сталь)
Под номинальным давлением (PN) следует понимать наибольшее избыточное давление при температуре среды 293 К (20°С), при котором допустима длительная работа арматуры и деталей трубопровода, имеющих заданные размеры, обоснованные расчетом на прочность при выбранных материалах и характеристиках их прочности, соответствующих температуре 293 К (20°С).
Выбор материалов изделия устанавливается соответствующими стандартами и нормативно-технической документацией в зависимости от назначения, параметров (температуры, давления) и условного прохода.
Номинальное, рабочее и пробное давление рассчитывается в зависимости от сложности конструкции компенсатора, его технических характеристик, условий эксплуатации, в соответствии с ТУ 3695-001-63575782-2015, нормативно-технической документацией, ГОСТ 356-80 «Арматура и детали трубопроводов. Давления условные, пробные и рабочие. Ряды», ГОСТ 33257-2015 «Арматура трубопроводная. Методы контроля и испытаний», ГОСТ 32935-2014 «Компенсаторы сильфонные металлические для тепловых сетей. Общие технические условия»
ОБЛАСТЬ ПРИМЕНЕНИЯ СИЛЬФОННЫХ СДВИГОВЫХ КОМПЕНСАТОРОВ КСC ARM
Компенсаторы сильфонные сдвиговые используются для компенсации поперечных смещений в трубопроводах. Основной принцип их работы заключается в способности сильфона изгибаться в одной или нескольких плоскостях, благодаря чему компенсируются деформации, направленные перпендикулярно оси самого компенсатора. Применимы в промышленности, где возможны значительные механические напряжения или температурные расширения трубопроводов.
Изделия имеют широкий диапазон рабочих температур и давления. Сдвиговые компенсаторы совместимы с различными рабочими средами: вода, пар, природный и сжиженный газ, нефтепродукты, химические растворы и другими средами.
Используются устройства в различных отраслях промышленности,
включая нефтегазовую отрасль, химическое производство, пищевую
промышленность и энергетику, а также в районах с высокой сейсмической
активностью. Сильфонные сдвиговые компенсаторы позволяют
обеспечить надежность и безопасность работы трубопроводной системы:
- минимизировать риски аварий, вызванных деформациями трубопроводной системы (предотвратить разрывы трубопровода и утечки рабочей среды);
- обеспечить долговечность работы трубопроводной системы (обеспечить дополнительную безопасность работы трубопровода в различных отраслях);
- сократить затраты на ремонт и обслуживание;
- повысить эффективность работы предприятий;
Интеллектуальная собственность, копирование запрещено



































