Поворотный (угловой) сильфонный компенсатор предназначен для компенсации поворота на определенный угол, элементов трубопровода и установленного на нем оборудования, в одной или нескольких плоскостях. Состоит из одного или двух сильфонов, выполненных из многослойной нержавеющей стали и присоединительной арматуры. Устройство может изготавливаться с внутренним экраном, защитным кожухом, поворотным или карданным устройством.
КОНСТРУКЦИЯ И ОСНОВНЫЕ ХАРАКТЕРИСТИКИ КОМПЕНСАТОРОВ
СИЛЬФОННЫХ ПОВОРОТНЫХ (УГЛОВЫХ) ПОД ПРИВАРКУ КСП ARM ПО
Антикоррозийное лакокрасочное покрытие
Большой выбор материалов присоединительной
арматуры: Ст. 20, СтЗсп, 09Г2С, ОЗХ17Н14МЗ,
O3Х18Н11, 08Х16Н11МЗ, 08Х17Н1ЗМ2, 08Х17Н13М2Т,
08Х18Н10, 08Х18Н10Т, 10Х23Н18, 20Х23Н1З, 20Х23Н18
Возможно исполнение присоединительной арматуры
с комбинированным способом присоединения
рабочих циклов
до 40 кг/см2
до 2400 мм
до +950°С
по запросу клиента
на складе
защитным кожухом, внутренним экраном,
ограничительной арматурой (карданное
устройство / поворотное устройство)
газ, нефтепродукты
и другие среды, неагрессивные
к материалу изделия
действующим требованиям, установленным национальными
и межгосударственными стандартами, имеет необходимый пакет документов
Многослойный сильфон изготовлен в соответствии с ГОСТ 32935-2014
Односекционное или двухсекционное исполнение
Большой выбор материалов сильфона: 08Х18Н10, 08Х18Н10Т, 08Х17Н13M2, 20Х23Н13, 20Х23Н18
Ограничительная арматура
обеспечивает контроль над превышением
допустимых смещений, предотвращает
деформацию компенсатора
Возможно изготовление ограничительной
арматуры с компенсацией угла поворота
в одной или нескольких плоскостях
Мы можем предложить изготовление продукции любой сложности на заказ, по чертежам и необходимым Вам техническим параметрам.
Для уточнения стоимости и наличия продукции на складе, просим направить заявку по почте pro@armfleks.ru или заполнить опросный лист на сайте. Также Вы можете связаться с отделом продаж нашей компании.
Осуществляем доставку компенсаторов по России, г. Москва собственным автотранспортом, а так же транспортными и курьерскими компаниями.
КОНСТРУКЦИОННОЕ ИСПОЛНЕНИЕ СИЛЬФОННЫХ ПОВОРОТНЫХ (УГЛОВЫХ) КОМПЕНСАТОРОВ КСП ARM
Варианты исполнений: одно и двухсекционные с внутренним экраном, защитным кожухом
DN от 20
до 2400 мм
PN от вакуума
до 40 кг/см2
Варианты исполнений: одно и двухсекционные, исполнение уплотнительной поверхности: А - плоскость, B - соединительный выступ, С, L - шип, D, M - паз, Е - выступ, F - впадина, с защитным кожухом, футеровкой РТFЕ, внутренним экраном
DN от 25
до 2400 мм
PN от вакуума
до 25 кг/см2
Варианты исполнений: одно и двухсекционные, исполнение уплотнительной поверхности: А - плоскость, B - соединительный выступ, С, L - шип, D, M - паз, Е - выступ, F - впадина, с защитным кожухом, футеровкой РТFЕ, внутренним экраном
DN от 25
до 2400 мм
PN от вакуума
до 40 кг/см2
Варианты исполнений: одно и двухсекционные, с защитным кожухом, футеровкой PTFE, внутренним экраном
DN от 25
до 600 мм
PN от вакуума
до 25 кг/см2
Варианты исполнений: одно и двухсекционные, исполнение уплотнительной поверхности: А - плоскость, В - соединительный выступ, С, L - шип, D, М - паз, Е - выступ, F - впадина, с защитным кожухом, футеровкой РТFЕ, внутренним экраном
DN от 25
до 2400 мм
PN от вакуума
до 40 кг/см2
Варианты исполнений: одно и двухсекционные, с поворотными/ приварными фланцами, ограничительной арматурой, защитным кожухом
DN от 25
до 2400 мм
PN от вакуума
до 40 кг/см2
Варианты исполнений: исполнений: одно и двухсекционные, с защитным кожухом, внутренним экраном
DN от 20
до 2400 мм
PN от вакуума
до 40 кг/см2
Варианты исполнений: одно и двухсекционные, с защитным кожухом, внутренним экраном, футеровкой РТFЕ
DN от 25
до 2400 мм
PN от вакуума
до 40 кг/см2
Варианты исполнений: одно и двухсекционные, с внутренним экраном
DN от 20
до 2400 мм
PN от вакуума
до 40 кг/см2
Варианты исполнений: одно и двухсекционные, с внутренним экраном, футеровкой РТFЕ
DN от 25
до 2400 мм
PN от вакуума
до 40 кг/см2
Варианты исполнений: одно и двухсекционные, с внутренним экраном, с ограничительной арматурой
DN от 20
до 2400 мм
PN от вакуума
до 40 кг/см2
Варианты исполнений: одно и двухсекционные, с поворотными/ приварными фланцами, с ограничительной арматурой, внутренним экраном, футеровкой РТРЕ
DN от 25
до 2400 мм
PN от вакуума
до 40 кг/см2
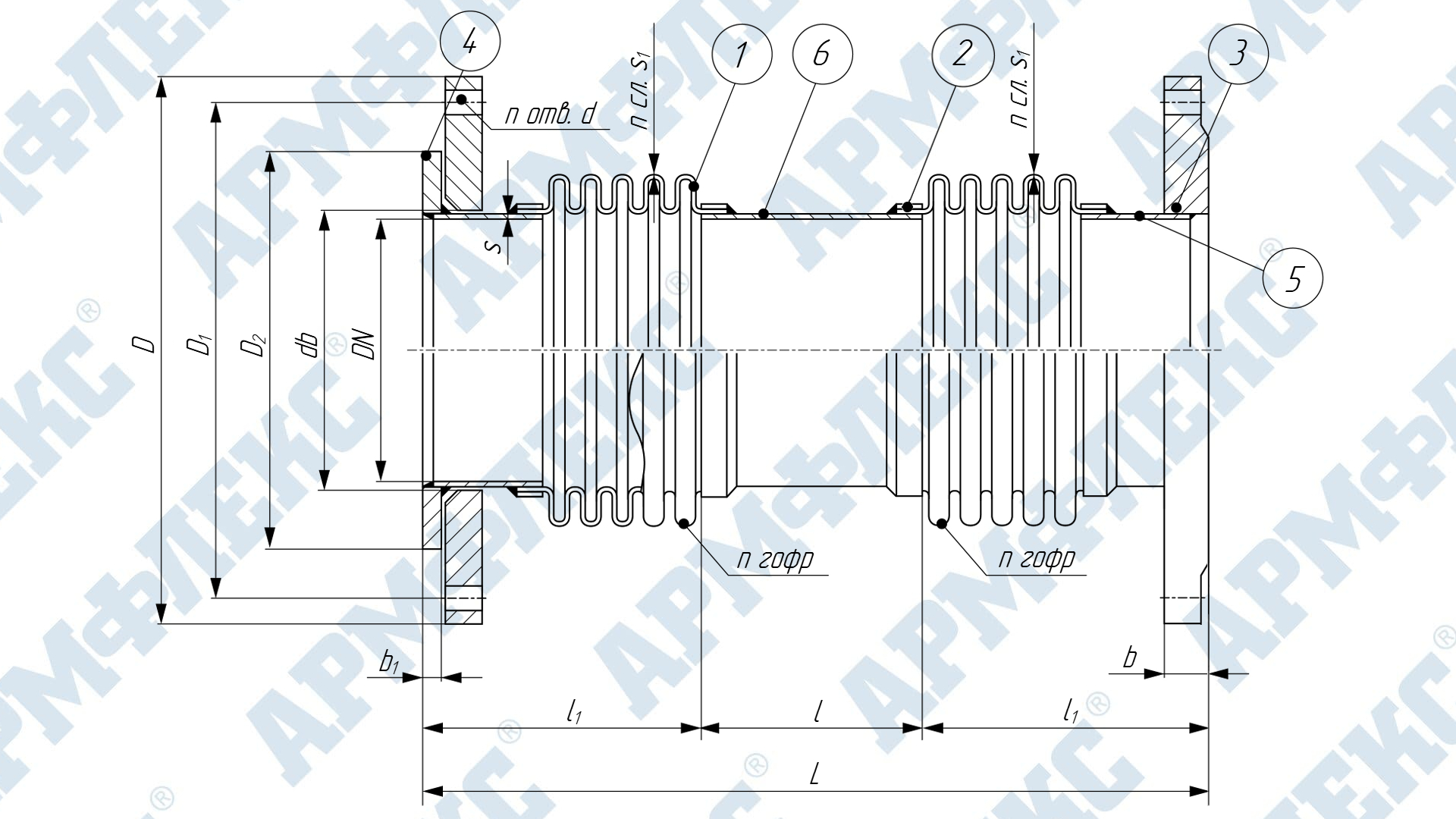
Компенсаторы сильфонные поворотные (угловые) под приварку с карданным устройством КСП ARM ПО стандартного исполнения
1 — сильфон
2 — обечайка
3 — патрубок
4 — опорный фланец
5 — карданный шарнир
6 — карданная опора
7 — поворотная втулка
|
Номинальный |
Номинальное |
Длина |
Угол |
Размеры, мм |
Угловая |
Эффективная |
Вес |
||||
|---|---|---|---|---|---|---|---|---|---|---|---|
|
DN, мм |
PN, кг/см2 |
L, мм |
±, гр. |
H |
D |
s |
Отклонение |
D1 |
Сg, Hм/гр. |
S,см2 |
~кг |
| 25 | 10, 16 | 240 | 25 | 185 | 33,7 | 3 | ±0,5 | 43 | 0,2 | 23 | 5,6 |
| 32 | 10, 16 | 240 | 25 | 195 | 42,4 | 3 | ±0,5 | 51 | 0,3 | 26 | 6,1 |
| 40 | 10, 16 | 250 | 25 | 200 | 48,3 | 3 | ±0,5 | 60 | 0,5 | 29 | 6,6 |
| 50 | 10, 16 | 250 | 25 | 205 | 57/60,3 | 3,5 | ±0,5 | 72 | 0,6 | 32 | 7,1 |
| 65 | 10, 16 | 275 | 25 | 215 | 76 | 4 | ±0,5 | 95 | 0,8 | 47 | 8,3 |
| 80 | 10, 16 | 280 | 20 | 265 | 89 | 4 | ±0,5 | 115 | 1,8 | 73 | 12,1 |
| 100 | 10, 16 | 295 | 20 | 295 | 108/114 | 4,5 | ±0,5 | 129 | 2,3 | 109 | 14,3 |
| 125 | 10, 16 | 305 | 15 | 335 | 133/140 | 4,5 | ±0,5 | 161 | 4,8 | 152 | 19,2 |
| 150 | 10, 16 | 325 | 15 | 375 | 159/168 | 4,5 | ±0,5 | 187 | 8,7 | 230 | 30,5 |
| 200 | 10, 16 | 380 | 15 | 450 | 219 | 6 | ±0,5 | 251 | 12,7 | 411 | 60,1 |
| 250 | 10, 16 | 380 | 15 | 520 | 273 | 7 | ±0,5 | 315 | 23,4 | 609 | 71,7 |
| 300 | 10, 16 | 835 | 10 | 575 | 325 | 7,5 | ±0,5 | 381 | 71,4 | 977 | 95,1 |
|
от 350-2400 компенсаторы по запросу. |
|||||||||||
|
Детальную спецификацию продукции Вы можете запросить у наших специалистов. |
|||||||||||
|
Изготовление продукции по чертежам и с техническими характеристиками заказчика. |
|||||||||||
ТЕХНИЧЕСКИЕ ХАРАКТЕРИСТИКИ И МАТЕРИАЛЫ СИЛЬФОННЫХ ПОВОРОТНЫХ (УГЛОВЫХ) КОМПЕНСАТОРОВ ПОД ПРИВАРКУ С КАРДАННЫМ УСТРОЙСТВОМ КСП ARM ПО
СТАНДАРТНОЕ ИСПОЛНЕНИЕ
Технические характеристики
химические и криогенные среды
Материалы
Под номинальным давлением (PN) следует понимать наибольшее избыточное давление при температуре среды 293 К (20°С), при котором допустима длительная работа арматуры и деталей трубопровода, имеющих заданные размеры, обоснованные расчетом на прочность при выбранных материалах и характеристиках их прочности, соответствующих температуре 293 К (20°С).
Выбор материалов изделия устанавливается соответствующими стандартами и нормативно-технической документацией в зависимости от назначения, параметров (температуры, давления) и условного прохода.
Номинальное, рабочее и пробное давление рассчитывается в зависимости от сложности конструкции компенсатора, его технических характеристик, условий эксплуатации, в соответствии с ТУ 3695-001-63575782-2015, нормативно-технической документацией, ГОСТ 356-80 «Арматура и детали трубопроводов. Давления условные, пробные и рабочие. Ряды», ГОСТ 33257-2015 «Арматура трубопроводная. Методы контроля и испытаний», ГОСТ 32935-2014 «Компенсаторы сильфонные металлические для тепловых сетей. Общие технические условия»
СПЕЦИАЛЬНОЕ ИСПОЛНЕНИЕ
Технические характеристики
химические и криогенные среды
Материалы
Под номинальным давлением (PN) следует понимать наибольшее избыточное давление при температуре среды 293 К (20°С), при котором допустима длительная работа арматуры и деталей трубопровода, имеющих заданные размеры, обоснованные расчетом на прочность при выбранных материалах и характеристиках их прочности, соответствующих температуре 293 К (20°С).
Выбор материалов изделия устанавливается соответствующими стандартами и нормативно-технической документацией в зависимости от назначения, параметров (температуры, давления) и условного прохода.
Номинальное, рабочее и пробное давление рассчитывается в зависимости от сложности конструкции компенсатора, его технических характеристик, условий эксплуатации, в соответствии с ТУ 3695-001-63575782-2015, нормативно-технической документацией, ГОСТ 356-80 «Арматура и детали трубопроводов. Давления условные, пробные и рабочие. Ряды», ГОСТ 33257-2015 «Арматура трубопроводная. Методы контроля и испытаний», ГОСТ 32935-2014 «Компенсаторы сильфонные металлические для тепловых сетей. Общие технические условия»
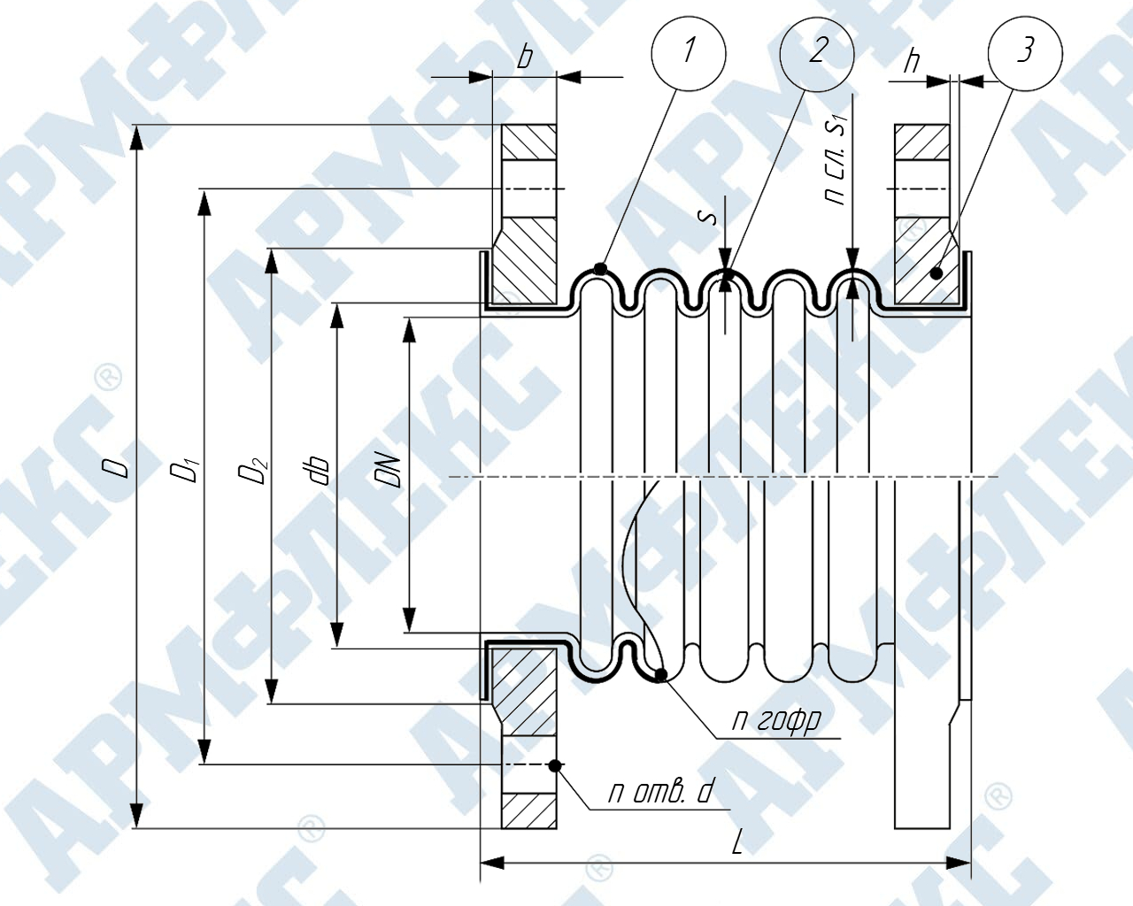
КОМПЕНСАТОРЫ СИЛЬФОННЫЕ ПОВОРОТНЫЕ (УГЛОВЫЕ) ФЛАНЦЕВЫЕ С КАРДАННЫМ УСТРОЙСТВОМ КСП ARM ФО СТАНДАРТНОГО ИСПОЛНЕНИЯ
1 — сильфон
2 — обечайка
3 — фланец
4 — патрубок
5 — карданный шарнир
6 — карданная опора
7 — поворотная втулка
|
Номинальный |
Номинальное |
Длина |
Угол |
Размеры фланцев, мм |
Угловая |
Эффективная |
Вес |
||||||
|---|---|---|---|---|---|---|---|---|---|---|---|---|---|
|
DN, мм |
PN, кг/см2 |
L, мм |
±, гр. |
H |
D |
D1 |
D2 |
b |
h |
n отв.d |
Сg, Hм/гр. |
S,см2 |
~кг |
| 25 | 16 | 250 | 25 | 185 | 115 | 85 | 68 | 18/16 | 2 | 4×14 | 0,2 | 23 | 6,5 |
| 32 | 16 | 250 | 25 | 195 | 135/140 | 100 | 78 | 18 | 2 | 4×18 | 0,3 | 26 | 7,0 |
| 40 | 16 | 250 | 25 | 200 | 145/150 | 110 | 88 | 20/18 | 3 | 4×18 | 0,5 | 29 | 7,6 |
| 50 | 16 | 260 | 25 | 205 | 160/165 | 125 | 102 | 22/20 | 3 | 4×18 | 0,6 | 32 | 8,3 |
| 65 | 16 | 285 | 25 | 215 | 180/185 | 145 | 122 | 24/20 | 3 | 4×18 | 0,8 | 47 | 10,5 |
| 80 | 16 | 290 | 20 | 265 | 195/200 | 160 | 133 | 24/20 | 3 | 4/8×18 | 1,8 | 73 | 19,5 |
| 100 | 16 | 305 | 20 | 295 | 215/220 | 180 | 158 | 26/22 | 3 | 8×18 | 2,3 | 109 | 25,1 |
| 125 | 16 | 315 | 15 | 335 | 245/250 | 210 | 184 | 28/22 | 3 | 8×18 | 4,8 | 152 | 33,6 |
| 150 | 16 | 335 | 15 | 375 | 280/285 | 240 | 212 | 28/24 | 3 | 8×22 | 8,7 | 230 | 44,5 |
| 200 | 16 | 390 | 15 | 450 | 335/340 | 295 | 268 | 30/26 | 3 | 12×22 | 12,7 | 411 | 80,1 |
| 250 | 16 | 390 | 15 | 520 | 405 | 355 | 320 | 31/29 | 3 | 12×26 | 23,4 | 609 | 97,3 |
| 300 | 16 | 415 | 10 | 575 | 460 | 410 | 370 | 32 | 4 | 12×26 | 71,4 | 977 | 119,9 |
|
от 350-2400 компенсаторы по запросу. |
|||||||||||||
|
Детальную спецификацию продукции Вы можете запросить у наших специалистов. |
|||||||||||||
|
Изготовление продукции по чертежам и с техническими характеристиками заказчика. |
|||||||||||||
ТЕХНИЧЕСКИЕ ХАРАКТЕРИСТИКИ И МАТЕРИАЛЫ СИЛЬФОННЫХ ПОВОРОТНЫХ (УГЛОВЫХ) ФЛАНЦЕВЫХ КОМПЕНСАТОРОВ С КАРДАННЫМ УСТРОЙСТВОМ КСП ARM ФО
СТАНДАРТНОЕ ИСПОЛНЕНИЕ
Технические характеристики
химические и криогенные среды
Материалы
Под номинальным давлением (PN) следует понимать наибольшее избыточное давление при температуре среды 293 К (20°С), при котором допустима длительная работа арматуры и деталей трубопровода, имеющих заданные размеры, обоснованные расчетом на прочность при выбранных материалах и характеристиках их прочности, соответствующих температуре 293 К (20°С).
Выбор материалов изделия устанавливается соответствующими стандартами и нормативно-технической документацией в зависимости от назначения, параметров (температуры, давления) и условного прохода.
Номинальное, рабочее и пробное давление рассчитывается в зависимости от сложности конструкции компенсатора, его технических характеристик, условий эксплуатации, в соответствии с ТУ 3695-001-63575782-2015, нормативно-технической документацией, ГОСТ 356-80 «Арматура и детали трубопроводов. Давления условные, пробные и рабочие. Ряды», ГОСТ 33257-2015 «Арматура трубопроводная. Методы контроля и испытаний», ГОСТ 32935-2014 «Компенсаторы сильфонные металлические для тепловых сетей. Общие технические условия»
СПЕЦИАЛЬНОЕ ИСПОЛНЕНИЕ
Технические характеристики
химические и криогенные среды
Материалы
Под номинальным давлением (PN) следует понимать наибольшее избыточное давление при температуре среды 293 К (20°С), при котором допустима длительная работа арматуры и деталей трубопровода, имеющих заданные размеры, обоснованные расчетом на прочность при выбранных материалах и характеристиках их прочности, соответствующих температуре 293 К (20°С).
Выбор материалов изделия устанавливается соответствующими стандартами и нормативно-технической документацией в зависимости от назначения, параметров (температуры, давления) и условного прохода.
Номинальное, рабочее и пробное давление рассчитывается в зависимости от сложности конструкции компенсатора, его технических характеристик, условий эксплуатации, в соответствии с ТУ 3695-001-63575782-2015, нормативно-технической документацией, ГОСТ 356-80 «Арматура и детали трубопроводов. Давления условные, пробные и рабочие. Ряды», ГОСТ 33257-2015 «Арматура трубопроводная. Методы контроля и испытаний», ГОСТ 32935-2014 «Компенсаторы сильфонные металлические для тепловых сетей. Общие технические условия»
КОМПЕНСАТОРЫ СИЛЬФОННЫЕ ПОВОРОТНЫЕ (УГЛОВЫЕ) ПОД ПРИВАРКУ С ПОВОРОТНЫМ УСТРОЙСТВОМ КСП ARM ПО СТАНДАРТНОГО ИСПОЛНЕНИЯ
1 — сильфон
2 — обечайка
3 — пат рубок
4 — опорный фланец
5 — поворотная опора
6 — поворотная втулка
|
Номинальный |
Номинальное |
Длина |
Угол |
Размеры, мм |
Угловая |
Эффективная |
Вес |
||||
|---|---|---|---|---|---|---|---|---|---|---|---|
|
DN, мм |
PN, кг/см2 |
L, мм |
±, гр. |
H × H1 |
D |
s |
Отклонение |
D1 |
Сg, Hм/гр |
S,см2 |
~кг |
| 25 | 10, 16 | 240 | 25 | 65×110 | 33,7 | 3 | ±0,5 | 43 | 0,2 | 23 | 4,1 |
| 32 | 10, 16 | 240 | 25 | 70×115 | 42,4 | 3 | ±0,5 | 51 | 0,3 | 26 | 4,6 |
| 40 | 10, 16 | 250 | 25 | 75×125 | 48,3 | 3 | ±0,5 | 60 | 0,5 | 29 | 5,1 |
| 50 | 10, 16 | 250 | 25 | 95×160 | 57/60,3 | 3,5 | ±0,5 | 72 | 0,6 | 32 | 6,2 |
| 65 | 10, 16 | 275 | 25 | 115×175 | 76 | 4 | ±0,5 | 95 | 0,8 | 47 | 7,1 |
| 80 | 10, 16 | 280 | 20 | 135×190 | 89 | 4 | ±0,5 | 115 | 1,8 | 73 | 11,1 |
| 100 | 10, 16 | 295 | 20 | 165×225 | 108/114 | 4,5 | ±0,5 | 129 | 2,3 | 109 | 15,3 |
| 125 | 10, 16 | 305 | 15 | 195×265 | 133/140 | 4,5 | ±0,5 | 161 | 4,8 | 152 | 20,1 |
| 150 | 10, 16 | 325 | 15 | 225×285 | 159/168 | 4,5 | +0,5 | 187 | 8,7 | 230 | 28,4 |
| 200 | 10, 16 | 380 | 15 | 285×385 | 219 | 6 | +0,5 | 251 | 12,7 | 411 | 59,7 |
| 250 | 10, 16 | 380 | 15 | 345×435 | 273 | 7 | ±0,5 | 315 | 23,4 | 609 | 78,5 |
| 300 | 10, 16 | 835 | 10 | 455×575 | 325 | 7,5 | +0,5 | 381 | 71,4 | 977 | 82,1 |
|
от 350-2400 компенсаторы по запросу. |
|||||||||||
|
Детальную спецификацию продукции Вы можете запросить у наших специалистов. |
|||||||||||
|
Изготовление продукции по чертежам и с техническими характеристиками заказчика. |
|||||||||||
ТЕХНИЧЕСКИЕ ХАРАКТЕРИСТИКИ И МАТЕРИАЛЫ СИЛЬФОННЫХ ПОВОРОТНЫХ (УГЛОВЫХ) КОМПЕНСАТОРОВ ПОД ПРИВАРКУ С ПОВОРОТНЫМ УСТРОЙСТВОМ КСП ARM ПО
СТАНДАРТНОЕ ИСПОЛНЕНИЕ
Технические характеристики
химические и криогенные среды
Материалы
Под номинальным давлением (PN) следует понимать наибольшее избыточное давление при температуре среды 293 К (20°С), при котором допустима длительная работа арматуры и деталей трубопровода, имеющих заданные размеры, обоснованные расчетом на прочность при выбранных материалах и характеристиках их прочности, соответствующих температуре 293 К (20°С).
Выбор материалов изделия устанавливается соответствующими стандартами и нормативно-технической документацией в зависимости от назначения, параметров (температуры, давления) и условного прохода.
Номинальное, рабочее и пробное давление рассчитывается в зависимости от сложности конструкции компенсатора, его технических характеристик, условий эксплуатации, в соответствии с ТУ 3695-001-63575782-2015, нормативно-технической документацией, ГОСТ 356-80 «Арматура и детали трубопроводов. Давления условные, пробные и рабочие. Ряды», ГОСТ 33257-2015 «Арматура трубопроводная. Методы контроля и испытаний», ГОСТ 32935-2014 «Компенсаторы сильфонные металлические для тепловых сетей. Общие технические условия»
СПЕЦИАЛЬНОЕ ИСПОЛНЕНИЕ
Технические характеристики
химические и криогенные среды
Материалы
Под номинальным давлением (PN) следует понимать наибольшее избыточное давление при температуре среды 293 К (20°С), при котором допустима длительная работа арматуры и деталей трубопровода, имеющих заданные размеры, обоснованные расчетом на прочность при выбранных материалах и характеристиках их прочности, соответствующих температуре 293 К (20°С).
Выбор материалов изделия устанавливается соответствующими стандартами и нормативно-технической документацией в зависимости от назначения, параметров (температуры, давления) и условного прохода.
Номинальное, рабочее и пробное давление рассчитывается в зависимости от сложности конструкции компенсатора, его технических характеристик, условий эксплуатации, в соответствии с ТУ 3695-001-63575782-2015, нормативно-технической документацией, ГОСТ 356-80 «Арматура и детали трубопроводов. Давления условные, пробные и рабочие. Ряды», ГОСТ 33257-2015 «Арматура трубопроводная. Методы контроля и испытаний», ГОСТ 32935-2014 «Компенсаторы сильфонные металлические для тепловых сетей. Общие технические условия»
КОМПЕНСАТОРЫ СИЛЬФОННЫЕ ПОВОРОТНЫЕ (УГЛОВЫЕ) ФЛАНЦЕВЫЕ С ПОВОРОТНЫМ УСТРОЙСТВОМ КСП ARM ФО СТАНДАРТНОГО ИСПОЛНЕНИЯ
|
Номинальный |
Номинальное |
Длина |
Угол |
Размеры фланцев, мм |
Угловая |
Эффективная |
Вес |
||||||
|---|---|---|---|---|---|---|---|---|---|---|---|---|---|
|
DN, мм |
PN, кг/см2 |
L, мм |
±, гр. |
H |
D |
D1 |
D2 |
b |
h |
n отв.d |
Сg, Hм/гр. |
S,см2 |
~кг |
| 25 | 16 | 215 | 25 | 160 | 115 | 85 | 68 | 18/16 | 2 | 4×14 | 0,2 | 23 | 6,1 |
| 32 | 16 | 215 | 25 | 185 | 135/140 | 100 | 78 | 18 | 2 | 4×18 | 0,3 | 26 | 6,8 |
| 40 | 16 | 225 | 25 | 195 | 145/150 | 110 | 88 | 20/18 | 3 | 4×18 | 0,5 | 29 | 7,6 |
| 50 | 16 | 235 | 25 | 215 | 160/165 | 125 | 102 | 22/20 | 3 | 4×18 | 0,6 | 32 | 8,1 |
| 65 | 16 | 255 | 25 | 230 | 180/185 | 145 | 122 | 24/20 | 3 | 4×18 | 0,8 | 47 | 9,4 |
| 80 | 16 | 255 | 20 | 265 | 195/200 | 160 | 133 | 24/20 | 3 | 4/8×18 | 1,8 | 73 | 11,1 |
| 100 | 16 | 255 | 20 | 295 | 215/220 | 180 | 158 | 26/22 | 3 | 8×18 | 2,3 | 109 | 12,6 |
| 125 | 16 | 295 | 15 | 335 | 245/250 | 210 | 184 | 28/22 | 3 | 8×18 | 4,8 | 152 | 14,9 |
| 150 | 16 | 295 | 15 | 375 | 280/285 | 240 | 212 | 28/24 | 3 | 8×22 | 8,7 | 230 | 20,5 |
| 200 | 16 | 325 | 15 | 450 | 335/340 | 295 | 268 | 30/26 | 3 | 12×22 | 12,7 | 411 | 38,7 |
| 250 | 16 | 325 | 15 | 520 | 405 | 355 | 320 | 31/29 | 3 | 12×26 | 23,4 | 609 | 51,1 |
| 300 | 16 | 415 | 10 | 575 | 460 | 410 | 370 | 32 | 4 | 12×26 | 71,4 | 977 | 95,4 |
|
от 350-2400 компенсаторы по запросу. |
|||||||||||||
|
Детальную спецификацию продукции Вы можете запросить у наших специалистов. |
|||||||||||||
|
Изготовление продукции по чертежам и с техническими характеристиками заказчика. |
|||||||||||||
ТЕХНИЧЕСКИЕ ХАРАКТЕРИСТИКИ И МАТЕРИАЛЫ СИЛЬФОННЫХ ПОВОРОТНЫХ (УГЛОВЫХ) ФЛАНЦЕВЫХ КОМПЕНСАТОРОВ С ПОВОРОТНЫМ УСТРОЙСТВОМ КСП ARM ФО
СТАНДАРТНОЕ ИСПОЛНЕНИЕ
Технические характеристики
химические и криогенные среды
Материалы
Под номинальным давлением (PN) следует понимать наибольшее избыточное давление при температуре среды 293 К (20°С), при котором допустима длительная работа арматуры и деталей трубопровода, имеющих заданные размеры, обоснованные расчетом на прочность при выбранных материалах и характеристиках их прочности, соответствующих температуре 293 К (20°С).
Выбор материалов изделия устанавливается соответствующими стандартами и нормативно-технической документацией в зависимости от назначения, параметров (температуры, давления) и условного прохода.
Номинальное, рабочее и пробное давление рассчитывается в зависимости от сложности конструкции компенсатора, его технических характеристик, условий эксплуатации, в соответствии с ТУ 3695-001-63575782-2015, нормативно-технической документацией, ГОСТ 356-80 «Арматура и детали трубопроводов. Давления условные, пробные и рабочие. Ряды», ГОСТ 33257-2015 «Арматура трубопроводная. Методы контроля и испытаний», ГОСТ 32935-2014 «Компенсаторы сильфонные металлические для тепловых сетей. Общие технические условия»
СПЕЦИАЛЬНОЕ ИСПОЛНЕНИЕ
Технические характеристики
химические и криогенные среды
Материалы
Под номинальным давлением (PN) следует понимать наибольшее избыточное давление при температуре среды 293 К (20°С), при котором допустима длительная работа арматуры и деталей трубопровода, имеющих заданные размеры, обоснованные расчетом на прочность при выбранных материалах и характеристиках их прочности, соответствующих температуре 293 К (20°С).
Выбор материалов изделия устанавливается соответствующими стандартами и нормативно-технической документацией в зависимости от назначения, параметров (температуры, давления) и условного прохода.
Номинальное, рабочее и пробное давление рассчитывается в зависимости от сложности конструкции компенсатора, его технических характеристик, условий эксплуатации, в соответствии с ТУ 3695-001-63575782-2015, нормативно-технической документацией, ГОСТ 356-80 «Арматура и детали трубопроводов. Давления условные, пробные и рабочие. Ряды», ГОСТ 33257-2015 «Арматура трубопроводная. Методы контроля и испытаний», ГОСТ 32935-2014 «Компенсаторы сильфонные металлические для тепловых сетей. Общие технические условия»
ОБЛАСТЬ ПРИМЕНЕНИЯ СИЛЬФОННЫХ ПОВОРОТНЫХ (УГЛОВЫХ) КОМПЕНСАТОРОВ КСП ARM
Компенсатор сильфонный поворотный (угловой) является важным элементом трубопроводных систем, который предназначен для компенсации угловых деформаций. Эти деформации могут быть вызваны различными факторами, такими как вибрации, температурные расширения или сжатия, а также перемещение опорных конструкций. Использование компенсатора позволяет предотвратить поломки трубопроводов в местах изгиба и обеспечивает надежную герметичность системы.
Компенсаторы сильфонные угловые (поворотные) используются в различных отраслях промышленности, имеют широкий диапазон рабочих температур и давления. Устройства могут применяться с различными рабочими средами: вода, пар, природный и сжиженный газ, нефтепродукты, химикаты и другие среды.
Сильфонные угловые (поворотные) компенсаторы в зависимости от области применения изготавливаются одно и двух секционные, с одним или двумя сильфонами (гибкими оболочками). Гибкая часть изделия выполняется из многослойной нержавеющей стали. Производятся устройства с различной присоединительной арматурой: патрубки под приварку, неподвижные (приварные) или поворотные (свободные) фланцы. Присоединительная арматура в зависимости от условий применения выполняется из различных видов углеродистой или нержавеющей стали. При использовании углового (поворотного) компенсатора для компенсации поворота в одной плоскости, устанавливается поворотное устройство. При компенсации углового смещения в двух плоскостях на изделие монтируется карданное устройство.
Предлагаем изготовление и продажу поворотных (угловых) компенсаторов различных типов и исполнения. А также производство изделий по чертежам и техническим характеристикам заказчика.
Интеллектуальная собственность, копирование запрещено





































